Inicio
Aceros y derivados
Nosotros
Galería
Ferretería
Conócenos
Estructurales
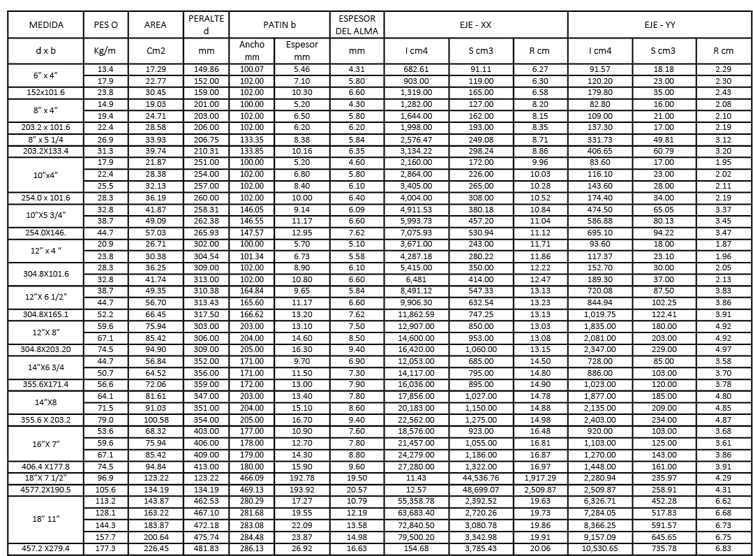
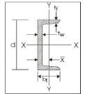
Canal MON-TEN
Viga IPR
Canal fierro
Viga IPS
Regresar